+86 311 6603 0586
+86 311 6603 0586
Product Description

|
SIZE |
A |
B |
C |
D |
E |
F |
R |
K |
|
2” |
105 |
65 |
54 |
59 |
48 |
18 |
29.7 |
47.4 |
|
2.5" |
124 |
80 |
54 |
78 |
60 |
20 |
37.1 |
62.6 |
|
3” |
137 |
94 |
57 |
91 |
70 |
28 |
44.4 |
68.9 |
|
4” |
175 |
117 |
64 |
110 |
88 |
27 |
55.7 |
97.1 |
|
5” |
197 |
145 |
70 |
142 |
115 |
30 |
67.7 |
121.4 |
|
6” |
222 |
170 |
76 |
170 |
134 |
31 |
78.6 |
144.6 |
|
8” |
279 |
224 |
95 |
222 |
182 |
33 |
103.9 |
197.1 |
|
10” |
340 |
265 |
108 |
264 |
223 |
50 |
127.1 |
233.7 |
|
12” |
410 |
310 |
143 |
310 |
260 |
43 |
148.3 |
283.8 |
|
14” |
451 |
360 |
184 |
360 |
300 |
51 |
174.4 |
333.6 |
|
16” |
514 |
410 |
191 |
414 |
355 |
57 |
197.4 |
378.1 |
|
18” |
549 |
450 |
203 |
450 |
382 |
64 |
217.2 |
415.1 |
|
20” |
606 |
505 |
213 |
505 |
435 |
58 |
242.8 |
471.6 |
|
24” |
718 |
624 |
222 |
605 |
536 |
73 |
296.4 |
574.5 |
|
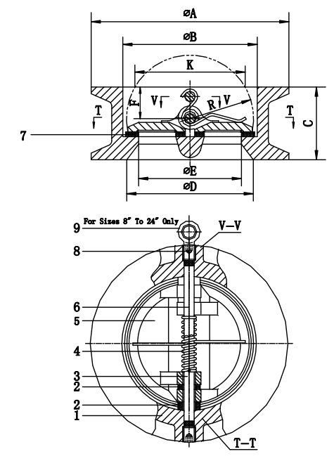
9 |
Lifting Eyebolt |
Carbon Steel |
1 |
for sizes 8"-24"only |
|
8 |
Thread Plug |
Carbon Steel |
4 |
|
|
7 |
Seal |
NBR,EPDM |
1 |
|
|
6 |
Upper Shaft |
410,316 |
1 |
|
|
5 |
Disc |
DI,CF8,CF8M,95400 |
2 |
|
|
4 |
Spring |
410,316 |
2 |
|
|
3 |
Lower Shaft |
410,316 |
1 |
|
|
2 |
Washer |
PTFE |
4 |
|
|
1 |
Body |
CI DI |
1 |
|
|
Item |
Part Name |
Material |
QTY |
Remark |
|
DN50-600-125/150 WAFER-TYPE CHECK VALVE |
||||
Have A Question?
Write to Us!
Tel:
+86 311 6603 0586
E-mail:
WhatsApp:
Add.:
Office Building A, Yueyahe West Road, Xiaozhan Town, Jinnan District, Tianjin
Get in Touch
Related products