+86 311 6603 0586
+86 311 6603 0586
Product Description

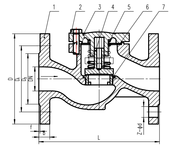
| DN | L | D | D | D₂ | b-f | Z-φd |
| 15 | 130 | 95 | 65 | 46 | 14-2 | 4-φ14 |
| 20 | 150 | 105 | 75 | 56 | 16-2 | 4-φ14 |
| 25 | 160 | 115 | 85 | 65 | 16-2 | 4-φ14 |
| 32 | 180 | 140 | 100 | 76 | 18-2 | 4-φ19 |
| 40 | 200 | 150 | 110 | 84 | 18-2 | 4-φ19 |
| 50 | 230 | 165 | 125 | 99 | 20-2 | 4-φ19 |
| 65 | 290 | 185 | 145 | 118 | 20-2 | 4-φ19 |
| 80 | 310 | 200 | 160 | 132 | 22-2 | 8-φ19 |
| 100 | 350 | 220 | 180 | 156 | 24-2 | 8-φ19 |
| 125 | 400 | 250 | 210 | 184 | 26-2 | 8-φ19 |
| 150 | 480 | 285 | 240 | 211 | 26-2 | 8-φ23 |
| 200 | 600 | 340 | 295 | 266 | 30-2 | 2-φ23 |
Feature
| DN | DN15~200 | |
| PN MPa | 1.6 | |
| Temp C | ≤200 | |
| Test MPa |
Seal(Water) | 1.8 |
| Shel(Water) | 2.4 | |
| Medium | Water/vapour/il | |
1. Length between flanges to DIN3202 F1
2. Flange dimension to BS EN1092-2:1997;
| 7 | Seat ring | 1 | SS420 |
| 6 | Gasket | 1 | 08+Graphite |
| 5 | Spring | 1 | SS304 |
| 4 | Disc+Disc ring | 1 | SS420(DN15-DN50)/GG25+SS420(DN65-DN200) |
| 3 | Cover | 1 | GG25 |
| 2 | Bolt | 4 | Steel 135 |
| 1 | Body | 1 | GG25 |
Have A Question?
Write to Us!
Tel:
+86 311 6603 0586
E-mail:
WhatsApp:
Add.:
Office Building A, Yueyahe West Road, Xiaozhan Town, Jinnan District, Tianjin
Get in Touch
Related products