+86 311 6603 0586
+86 311 6603 0586
1. Nominal pressure: 1.6mba
2. Sealing test pressure: 1.76Mpa
3. Strength test pressure: 2.4mba
4. Operating temperature: - 20 & 135
5. Medium: fresh water, sea water, sewage, food, steam All kinds of oils, acid-base liquid, et
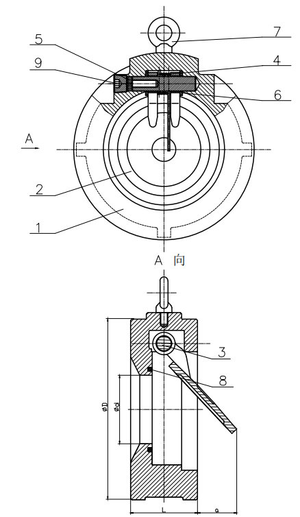
Product Description

| 9 | P | LUG | steel | 1 | ||
| 8 | SEAL RING | viton | 1 | |||
| 7 | RINGS | steel | 1 | |||
| 6 | WASHER | F4 | 2 | |||
| 5 | SHIM | NBR | 1 | |||
| 4 | SP | RING | SS304 | 1 | ||
| 3 | STEM | SS410 | 1 | |||
| 2 | DISC | CF8 | 1 | |||
| 1 | BODY | CI | 1 | |||
| ND | PARTS | MATERIAL SCIENCE | NUMBER | |||
| DN | L | a | d | D | kv | ||||||
| TableD/E | ANSI125 | EN1092PN16 | |||||||||
| 50 | 44.5 | 29 | 33 | 98 | 102 | 106 | 53 | ||||
| 65 | 47.6 | 30 | 47 | 111 | 121 | 127 | 63 | ||||
| 80 | 50.8 | 56 | 52 | 130 | 134 | 142 | 146 | ||||
| 100 | 57.2 | 75 | 76 | 162 | 172 | 162 | 242 | ||||
| 125 | 63.5 | 95 | 95 | 194 | 194 | 192 | 594 | ||||
| 150 | 69.2 | 114 | 121 | 216 | 220 | 218 | 877 | ||||
| 200 | 73 | 156 | 168 | 273 | 277 | 273 | 1420 | ||||
| 250 | 79.4 | 187 | 194 | 337 | 337 | 328 | 2130 | ||||
| 300 | 85.7 | 222 | 241 | 384 | 407 | 378 | 3215 | ||||
| 350 | 108 | 229 | 267 | 444 | 447 | 438/442 | 4928 | ||||
| 400 | 108 | 248 | 318 | 495 | 511 | 489/495 | 6055 | ||||
| 450 | 108 | 300 | 356 | 558 | 546 | 539/555 | 8352 | ||||
| 500 | 140 | 324 | 387 | 615 | 602 | 594/617 | 10440 | ||||
| 600 | 152 | 387 | 483 | 726/723 | 715 | 695/734 | 15660 | ||||
Have A Question?
Write to Us!
Tel:
+86 311 6603 0586
E-mail:
WhatsApp:
Add.:
Office Building A, Yueyahe West Road, Xiaozhan Town, Jinnan District, Tianjin
Get in Touch
Related products