+86 311 6603 0586
+86 311 6603 0586
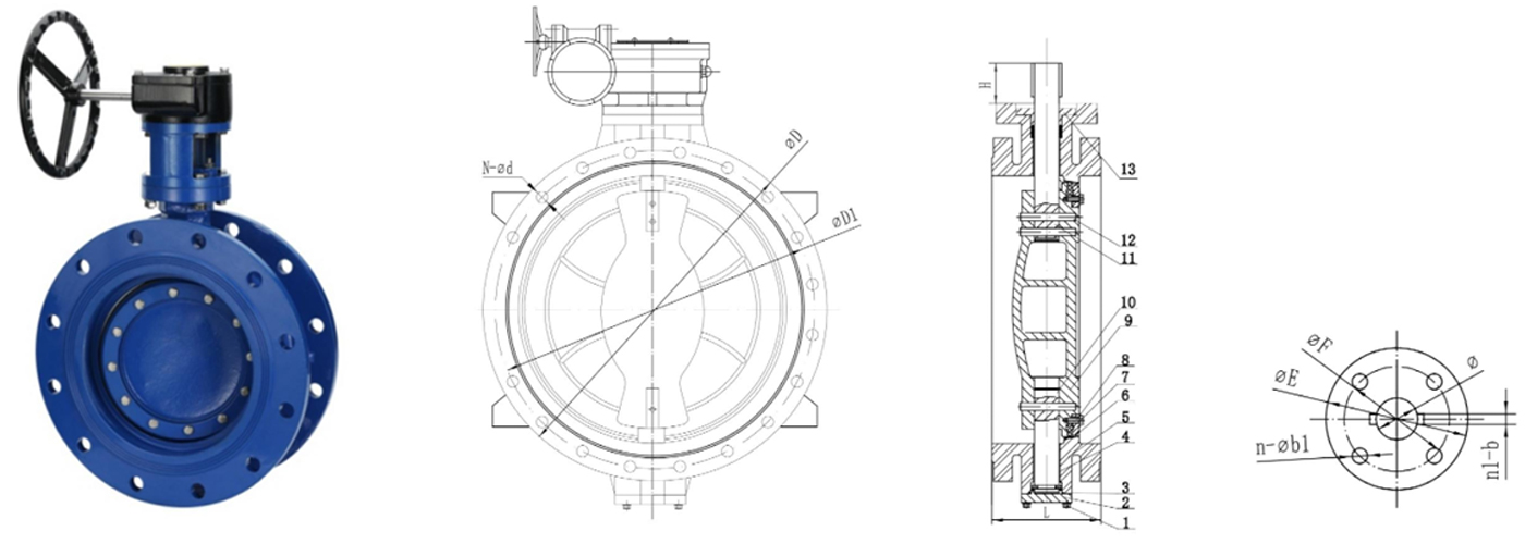
Double Eccentric Flange Butterfly Valve
Ductile Iron Double Eccentric Soft Seal Butterfly Valve features a double eccentric design that ensures zero leakage through a soft rubber seat, even under low-pressure conditions. Its corrosion-resistant properties make it ideal for handling acidic or alkaline media, while the durable valve body withstands high flow rates and water hammer impacts. The compact structure saves installation space, and the flanged connection provides robust sealing for demanding applications.
Share:
Product Description

| Specification | |||||||||||
| Nominal Pressure | 1.0 | MPa | |||||||||
| Shell Test Pressure(Hydraulic) | 1.5 | ||||||||||
| Seal Test Pressure(Hydraulic) | 1.1 | ||||||||||
| End Flanage | EN1092-1 PN10 | ||||||||||
| 13 | Gland | DI | ||||||||
| 12 | Tapper pin | 304 | ||||||||
| 11 | Upper shaft | SS410 | ||||||||
| 10 | Bottom shaft | SS410 | ||||||||
| 9 | Disc | DI | ||||||||
| 8 | Bolt | 304 | ||||||||
| 7 | Sealing ring | EPDM | ||||||||
| 6 | Seatt | SS304 | ||||||||
| 5 | Body | DI | ||||||||
| 4 | Bushing | Polymer | ||||||||
| 3 | 0 ring | EPDM | ||||||||
| 2 | Gland | DI | ||||||||
| 1 | Bolt | 304 | ||||||||
| NO | Name | Material | Remarks | |||||||
Main Dimensions
| mm | INCH | 13 Series | l14 Series | Dimension | PN10 | PN16 | 150LB-A | ISO 5211 | |||||||||||||||||||||||
| L | L | A | B | H | ø | n1-b | øD | øD1 | N-ød | øD | øD1 | N-ød | øD | øD1 | N-ød | øE | øF | n-od1 | |||||||||||||
| DN100 | 4” | 127 | 190 | 154 | 106 | 26 | 17 | 一 | 220 | 180 | 8-x18 | 220 | 180 | 8-ø18 | 230 | 190.5 | 8-ø19 | 90 | 70 | 4-ø10 | |||||||||||
| DN125 | 5” | 140 | 200 | 169 | 120 | 26 | 17 | - | 250 | 210 | 8-ø18 | 250 | 210 | 8-ø18 | 255 | 215.9 | 8-ø22 | 90 | 70 | 4-ø10 | |||||||||||
| DN150 | 6" | 140 | 210 | 190 | 144 | 26 | 17 | - | 285 | 240 | 8-ø22 | 285 | 240 | 8-ø22 | 280 | 241.3 | 8-ø22 | 90 | 70 | 4-ø10 | |||||||||||
| DN200 | 8” | 152 | 230 | 220 | 168 | 38 | 22 | - | 340 | 295 | 8-x22 | 340 | 295 | 12-ø22 | 345 | 298.5 | 8-x22 | 125 | 102 | 4-ø12 | |||||||||||
| DN250 | 10” | 165 | 250 | 254 | 196 | 48 | 22 | - | 395 | 350 | 12-ø22 | 405 | 355 | 12-06 | 405 | 362 | 12-x26 | 125 | 102 | 4-ø12 | |||||||||||
| DN300 | 12" | 178 | 270 | 296 | 223 | 50 | 33.2 | 1-10 | 445 | 400 | 12-ø22 | 460 | 410 | 12-ø25 | 485 | 431.8 | 12-ø26 | 150 | 125 | 4-ø14 | |||||||||||
| DN350 | 14” | 190 | 290 | 348 | 255 | 50 | 38 | 1-10 | 505 | 460 | 16-ø22 | 520 | 470 | 16-022 | 535 | 476.3 | 12-ø26 | 150 | 125 | 4-ø14 | |||||||||||
| DN400 | 16" | 216 | 310 | 374 | 291 | 70 | 42.9 | 1-12 | 565 | 515 | 16-ø26 | 580 | 525 | 16-ø30 | 595 | 539.8 | 16-029 | 175 | 140 | 4-ø18 | |||||||||||
| DN450 | 18" | 222 | 330 | 390 | 320 | 76 | 45.8 | 1-14 | 615 | 565 | 20-ø26 | 640 | 585 | 20-ø30 | 635 | 577.9 | 16-x32 | 175 | 140 | 4-ø18 | |||||||||||
| DN500 | 20" | 229 | 350 | 430 | 350 | 80 | 54 | 1-16 | 670 | 620 | 20-ø26 | 715 | 650 | 20-ø33 | 700 | 635 | 20-ø32 | 175 | 140 | 4-ø18 | |||||||||||
| DN600 | 24" | 267 | 390 | 510 | 435 | 90 | 63.4 | 2-18 | 780 | 725 | 20-ø30 | 840 | 770 | 20-ø36 | 815 | 749.3 | 20-o35 | 210 | 165 | 4-x22 | |||||||||||
| DN700 | 28" | 292 | 430 | 550 | 485 | 90 | 63.4 | 2-18 | 895 | 840 | 24-ø30 | 910 | 840 | 24-o36 | 925 | 863.6 | 28-o35 | 300 | 254 | 8-ø18 | |||||||||||
| DN800 | 32” | 318 | 470 | 600 | 530 | 105 | 75 | 2-20 | 1015 | 950 | 24-ø33 | 1025 | 950 | 24-ø39 | 1060 | 977.9 | 28-ø42 | 300 | 254 | 8-ø18 | |||||||||||
| DN900 | 36" | 330 | 510 | 660 | 586 | 114 | 85 | 2-22 | 1115 | 1050 | 28-ø33 | 1125 | 1050 | 28-o39 | 1170 | 1085.8 | 32-ø42 | 300 | 254 | 8-ø18 | |||||||||||
| DN1000 | 40” | 410 | 550 | 725 | 675 | 114 | 85 | 2-22 | 1230 | 1160 | 28-036 | 1255 | 1170 | 28-ø42 | 1290 | 1200.2 | 36-ø42 | 300 | 254 | 8-ø18 | |||||||||||
| DN1200 | 48” | 470 | 630 | 845 | 795 | 140 | 105 | 2-28 | 1455 | 1380 | 32-ø39 | 1485 | 1390 | 32-048 | 1510 | 1422.4 | 44-ø42 | 350 | 298 | 8-ø22 | |||||||||||
| DN1400 | 56" | 530 | 710 | 970 | 930 | 160 | 120 | 2-32 | 1675 | 1590 | 36-ø42 | 1685 | 1590 | 36-ø48 | 1746 | 1651 | 44-ø48 | 415 | 356 | 8-ø32 | |||||||||||
| DN1600 | 64” | 600 | 790 | 1125 | 1080 | 200 | 140 | 2-36 | 1915 | 1820 | 40-x48 | 1930 | 1820 | 40-ø56 | 1985 | 1875 | 52-ø48 | 415 | 356 | 8-ø32 | |||||||||||
| DN1800 | 72” | 670 | 870 | 1200 | 1115 | 280 | 160 | 2-40 | 2115 | 2020 | 44-ø48 | 2130 | 2020 | 44-ø56 | 2197 | 2096 | 60-ø48 | 475 | 406 | 8-ø40 | |||||||||||
| DN2000 | 80” | 760 | 950 | 1360 | 1345 | 280 | 180 | 2-45 | 2325 | 2230 | 48-ø48 | 2345 | 2230 | 48-062 | 475 | 406 | 8-ø40 | ||||||||||||||
| DN2200 | 88" | 800 | 1000 | 1543 | 1943 | 280 | 180 | 2-45 | 2550 | 2440 | 52-ø56 | 2555 | 2440 | 52-062 | 560 | 483 | 12-x40 | ||||||||||||||
| DN2400 | 96" | 850 | 1100 | 1581 | 1510 | 300 | 200 | 2-45 | 2760 | 2650 | 56-ø56 | 2765 | 2650 | 56-062 | 2877 | 2756 | 48-066 | 686 | 603 | 20-ø40 | |||||||||||
Have A Question?
Write to Us!
Tel:
+86 311 6603 0586
E-mail:
WhatsApp:
Add.:
Office Building A, Yueyahe West Road, Xiaozhan Town, Jinnan District, Tianjin
Get in Touch
Related products