+86 311 6603 0586
+86 311 6603 0586
Marine Butterfly Valve
Product Description
Marine Butterfly Valve Series-Short Flange Butterfly Valve DN50-DN600

| Specification | ||||||||
| Nominal Pressure | 1.0 | MPa | ||||||
| Shell Test Pressure(Hydraulic) | 1.5 | |||||||
| Seal Test Pressure(Hydraulic) | 1.1 | |||||||
| Design Tempreture | -10℃~100℃ | |||||||
| Applicable Media | Water,0il,Gas | |||||||
| Executive Standard | ||||||||
| Design &Manufacture | API609 | |||||||
| Face to Face | API609 | |||||||
| End Flanage | EN1092-1 PN10 | |||||||
| Inspection &Test | API598 | |||||||
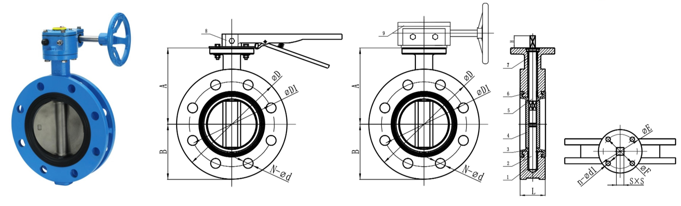
| 9 | Wormgear | DI | ||||||
| 8 | Lever | DI | ||||||
| 7 | 0 ring | EPDM | ||||||
| 6 | Bushing | Polymer | ||||||
| 5 | Upper shaft | SS410/SS431/SS304/SS316 | ||||||
| 4 | Disc | DI/CF8/CF8M/C95400/2205/NYLON | ||||||
| 3 | Seat | EPDM/NBR/Viton | ||||||
| 2 | Bottom shaft | SS410/SS431/SS304/SS316 | ||||||
| 1 | Body | DI | ||||||
| NO. | Name | Material | Remarks | |||||
Main Dimensions
| SIZE | A | B | L±3 | S-S | H | JIS 5K | JIS 10K | øE | øF | n-od1 | ||||||||||||
| øD | øD1 | N-ød | øD | øD1 | N-ød | |||||||||||||||||
| DN50 | 132 | 80 | 43 | 9 | 25 | 130 | 105 | 4-ø15 | 155 | 120 | 4-ø19 | 90 | 70 | 4-ø10 | ||||||||
| DN65 | 145 | 90 | 45 | 9 | 25 | 155 | 130 | 4-ø15 | 175 | 140 | 4-ø19 | 90 | 70 | 4-ø10 | ||||||||
| DN80 | 150 | 95 | 60 | 9 | 25 | 180 | 145 | 4-ø19 | 185 | 150 | 8-ø19 | 90 | 70 | 4-ø10 | ||||||||
| DN100 | 160 | 105 | 60 | 11 | 28 | 200 | 165 | 8-ø19 | 210 | 175 | 8-ø19 | 90 | 70 | 4-ø10 | ||||||||
| DN125 | 180 | 130 | 100 | 14 | 28 | 235 | 200 | 8-ø19 | 250 | 210 | 8-ø23 | 90 | 70 | 4-ø10 | ||||||||
| DN150 | 195 | 145 | 100 | 14 | 28 | 265 | 230 | 8-ø19 | 280 | 240 | 8-ø23 | 90 | 70 | 4-ø10 | ||||||||
| DN200 | 240 | 170 | 100 | 17 | 35 | 320 | 280 | 8-ø23 | 330 | 290 | 12-ø23 | 125 | 102 | 4-ø12 | ||||||||
| DN250 | 300 | 210 | 110 | 22 | 40 | 385 | 345 | 12-ø23 | 400 | 355 | 12-ø25 | 125 | 102 | 4-ø12 | ||||||||
| DN300 | 308 | 230 | 110 | 22 | 40 | 430 | 390 | 12-ø23 | 445 | 400 | 16-ø25 | 125 | 102 | 4-ø12 | ||||||||
| DN350 | 345 | 255 | 120 | 22 | 40 | 480 | 435 | 12-ø25 | 490 | 445 | 16-ø25 | 125 | 102 | 4-ø12 | ||||||||
| DN400 | 370 | 295 | 130 | 27 | 50 | 540 | 495 | 16-ø25 | 560 | 510 | 16-ø27 | 175 | 140 | 4-ø18 | ||||||||
| DN450 | 395 | 325 | 150 | 27 | 50 | 605 | 555 | 16-ø25 | 620 | 565 | 20-ø27 | 175 | 140 | 4-ø18 | ||||||||
| DN500 | 430 | 350 | 160 | 32 | 55 | 655 | 605 | 20-ø25 | 675 | 620 | 20-ø27 | 175 | 140 | 4-ø18 | ||||||||
| DN600 | 495 | 420 | 170 | 36 | 60 | 770 | 715 | 20-ø27 | 795 | 730 | 24-ø33 | 210 | 165 | 4-ø22 | ||||||||
Have A Question?
Write to Us!
Tel:
+86 311 6603 0586
E-mail:
WhatsApp:
Add.:
Office Building A, Yueyahe West Road, Xiaozhan Town, Jinnan District, Tianjin
Get in Touch
Related products