+86 311 6603 0586
+86 311 6603 0586
Wafer Butterfly Valve
"Aluminum Alloy Butterfly Valve" is a lightweight, corrosion-resistant valve with a compact design, suitable for low-pressure applications in industries such as water treatment, food and beverage, and chemical processing. It features an aluminum alloy body and valve seat, offering excellent anti-condensation properties and ease of installation.
Share:
Product Description
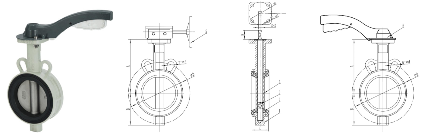
Aluminium Wafer Butterfly Valve DN50-DN600

| Specification | |||||||||
| Nominal Pressure | 1.0 | MPa | |||||||
| Shell Test Pressure(Hydraulic) | 1.5 | ||||||||
| Seal Test Pressure(Hydraulic) | 1.1 | ||||||||
| Design Tempreture | -10℃~100℃ | ||||||||
| Applicable Media | Water,Oil,Gas | ||||||||
| Executive Standard | |||||||||
| Design &Manufacture | API609 | ||||||||
| Face to Face | API609 | ||||||||
| End Flanage | EN1092-1 PN10 | ||||||||
| Inspection &Test | API598 | ||||||||
| 6 | Lever | Aluminum | ||||||
| 5 | Wormgear | DI | ||||||
| 4 | Disc | CF8/CF8M | ||||||
| 3 | Shaft | SS410 | ||||||
| 2 | Seat | EPDM | ||||||
| 1 | Body | ADC12 | ||||||
| No. | Name | Materials | Remarks | |||||
Main Dimensions
| Size | L | A | B | H | S | ISO5211 | PN10 | PN16 | 150LB | JIS 10K | ||||||||||||||||
| mm | in | Top flange |
øF | n1-ød1 | øD | n-ød | øD | n-ød | øD | n-ød | øD | n-ød | ||||||||||||||
| 50 | 2 | 42 | 130 | 70 | 25 | 9 | F05 | 50 | 4-8 | 125 | 4-18 | 125 | 4-18 | 120.7 | 4-18 | 120 | 4-19 | |||||||||
| 65 | 2.5 | 44 | 139 | 78 | 25 | 9 | F05 | 50 | 4-8 | 145 | 4-18 | 145 | 4-18 | 139.7 | 4-18 | 140 | 4-19 | |||||||||
| 80 | 3 | 45 | 154 | 89 | 25 | 9 | F05 | 50 | 4-8 | 160 | 8-18 | 160 | 8-18 | 152.4 | 4-18 | 150 | 8-19 | |||||||||
| 100 | 4 | 51 | 168 | 101 | 28 | 11 | F07 | 70 | 4-10 | 180 | 8-18 | 180 | 8-18 | 190.5 | 8-18 | 175 | 8-19 | |||||||||
| 125 | 5 | 54 | 184 | 117 | 28 | 14 | F07 | 70 | 4-10 | 210 | 8-18 | 210 | 8-18 | 215.9 | 8-22 | 210 | 8-23 | |||||||||
| 150 | 6 | 55 | 196 | 132 | 28 | 14 | F07 | 70 | 4-10 | 240 | 8-22 | 240 | 8-22 | 241.3 | 8-22 | 240 | 8-23 | |||||||||
| 200 | 8 | 60 | 236 | 170 | 35 | 17 | F10 | 102 | 4-12 | 295 | 8-22 | 295 | 12-22 | 298.5 | 8-22 | 290 | 12-23 | |||||||||
| 250 | 10 | 68 | 267 | 207 | 40 | 22 | F10 | 102 | 4-12 | 350 | 12-22 | 355 | 12-26 | 362 | 12-26 | 355 | 12-25 | |||||||||
| 300 | 12 | 78 | 305 | 238 | 40 | 22 | F10 | 102 | 4-12 | 400 | 12-22 | 410 | 12-26 | 431.8 | 12-26 | 400 | 16-25 | |||||||||
| 350 | 14 | 78 | 336 | 265 | 40 | 22 | F10 | 102 | 4-12 | 460 | 16-22 | 470 | 16-26 | 476.3 | 12-29 | 445 | 16-25 | |||||||||
| 400 | 16 | 86 | 400 | 304 | 50 | 27 | F14 | 140 | 4-18 | 515 | 16-26 | 425 | 16-30 | 539.8 | 16-29 | 510 | 16-27 | |||||||||
| 450 | 18 | 105 | 411 | 337 | 50 | 27 | F14 | 140 | 4-18 | 565 | 20-26 | 585 | 20-30 | 577.9 | 16-32 | 565 | 20-27 | |||||||||
| 500 | 20 | 127 | 460 | 368 | 55 | 32 | F14 | 140 | 4-18 | 620 | 20-26 | 650 | 20-33 | 635 | 20-32 | 620 | 20-27 | |||||||||
| 600 | 24 | 154 | 523 | 428 | 60 | 36 | F16 | 165 | 4-22 | 725 | 20-30 | 770 | 20-36 | 749.3 | 20-35 | 730 | 24-33 | |||||||||
Have A Question?
Write to Us!
Tel:
+86 311 6603 0586
E-mail:
WhatsApp:
Add.:
Office Building A, Yueyahe West Road, Xiaozhan Town, Jinnan District, Tianjin
Get in Touch
Related products
Stainless Steel Wafer Butterfly Valve
Stainless steel wafer butterfly valves offer corrosion resistance for harsh environments, lightweight design for easy installation