+86 311 6603 0586
+86 311 6603 0586
Wafer Butterfly Valve
Product Description
Hard Back Wafer Butterfly Valve DN50-DN350

| Specification | ||
| Nominal Pressure | 1.6 | MPa MPa MPa |
| Shell Test Pressure (Hydraulic) | 2.4 | |
| Seal Test Pressure (Hydraulic) | 1.76 | |
| Design Temperature | -10℃ ~ 100℃ | |
| Applicable Media | Water, Oil, Gas | |
| Executive Standard | ||
| Design & Manufacture | EN593 | |
| Face to Face | EN558 | |
| End Flange | EN1092-1 PN16 | |
| Inspection & Test | EN12266-1 | |
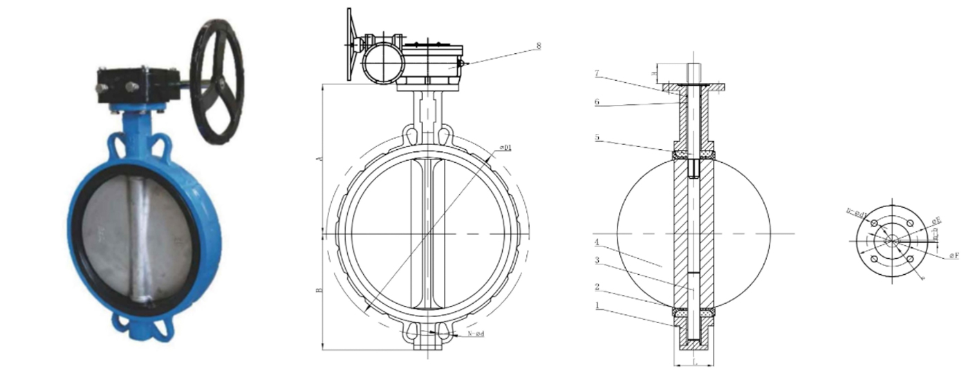
| 9 | Wormgear / Lever | DI |
| 8 | O ring | EPDM |
| 7 | Bushing | Polymer |
| 6 | Seat | EPDM/NBR/VITON |
| 5 | Disc | SS420/SS410/SS316 |
| 4 | Upper shaft | DI/CF8/CF8M/CF3040/2205 |
| 3 | Body | SS420/SS410/SS316 |
| 2 | Bottom shaft | DI |
| 1 | Name | DI |
Hard Back Wafer Butterfly Valve DN40O-DN600

| Specification | |||
| Nominal Pressure | 1.0 | ||
| Shell Test Pressure(Hydraulic) | 1.5 | MPa | |
| Seal Test Pressure(Hydraulic) | 1.1 | ||
| Design Tempreture | -10℃~100℃ | ||
| Applicable Media | Water,Oi1,Gas | ||
| Executive Standard | |||
| Design &Manufacture | API609 | ||
| Face to Face | API609 | ||
| End Flanage | ASME B16.5 Class150 | ||
| Inspection &Test | API598 | ||
| 9 | Wormgear | DI | |
| 8 | Lever | DI | |
| 7 | 0 ring | EPDM | |
| 6 | Bushing | Polymer | |
| 5 | Upper shaft | SS420/SS431/SS316 | |
| 4 | Disc | DI/CF8/CF8M/C95400/2205 | |
| 3 | Bottom shaft | SS420/SS431/SS316 | |
| 2 | Seat | EPDM/NBR/VITON | |
| 1 | Body | DI | |
| NO | Name | Material | Remarks |
Main Dimensions
Hard Back Wafer Butterfly Valve DN50-DN350
| Size | L | A | B | S | H | ISO5211 | PN10 | PN16 | 150LB | JIS 10K | ||||||||
| mm | in | Top flange | øE | øF | n-ød | øD1 | N-ød | øD1 | N-ød | øD1 | N-ød | øD1 | N-ød | |||||
| 50 | 2 | 42 | 131.5 | 71.6 | 9 | 25 | F05 | 65 | 50 | 4-8 | 125 | 4-19 | 125 | 4-19 | 120.5 | 4-18 | 120 | 4-19 |
| 65 | 2.5 | 45 | 138 | 82 | 9 | 25 | F05 | 65 | 50 | 4-8 | 145 | 4-19 | 145 | 4-19 | 139.5 | 4-18 | 140 | 4-19 |
| 80 | 3 | 45 | 152.8 | 94.5 | 9 | 25 | F05 | 65 | 50 | 4-8 | 160 | 8-19 | 160 | 8-19 | 152.5 | 4-18 | 150 | 8-19 |
| 100 | 4 | 52 | 167.5 | 107 | 11 | 28 | F07 | 90 | 70 | 4-10 | 180 | 8-19 | 180 | 8-19 | 190.5 | 8-18 | 175 | 8-19 |
| 125 | 5 | 55 | 182.5 | 124.5 | 14 | 28 | F07 | 90 | 70 | 4-10 | 210 | 8-19 | 210 | 8-19 | 216 | 8-22 | 210 | 8-23 |
| 150 | 6 | 55 | 195 | 136.5 | 14 | 28 | F07 | 90 | 70 | 4-10 | 240 | 8-23 | 240 | 8-23 | 241.5 | 8-22 | 240 | 8-23 |
| 200 | 8 | 60 | 235 | 169 | 17 | 35 | F10 | 125 | 102 | 4-12 | 295 | 8-23 | 295 | 12-23 | 298.5 | 8-22 | 290 | 12-23 |
| 250 | 10 | 66 | 267 | 207 | 22 | 40 | F10 | 125 | 102 | 4-12 | 350 | 12-23 | 355 | 12-28 | 362 | 12-26 | 355 | 12-25 |
| 300 | 12 | 77 | 313 | 236 | 22 | 40 | F10 | 125 | 102 | 4-12 | 400 | 12-23 | 410 | 12-28 | 432 | 12-26 | 400 | 16-25 |
| 350 | 14 | 77 | 336 | 265 | 22 | 40 | F10 | 125 | 102 | 4-12 | 460 | 16-22 | 470 | 16-26 | 476.3 | 12-29 | 445 | 16-25 |
Hard Back Wafer Butterfly Valve DN40O-DN600
| Size | L | A | B | ø | H | n-b | ISO5211 | PN10 | PN16 | 150LB | JIS 10K | ||||||||
| mm | in | Top flange |
øE | øF | n1-ødl | øD | n-ød | øD | n-ød | øD | n-ød | øD | n-ød | ||||||
| 400 | 16 | 86 | 392 | 318 | 33.15 | 50 | 1-10 | F14 | 175 | 140 | 4-18 | 515 | 16-26 | 525 | 16-30 | 539.8 | 16-29 | 510 | 16-27 |
| 450 | 18 | 102 | 420 | 337 | 38 | 50 | 1-10 | F14 | 175 | 140 | 4-18 | 565 | 20-26 | 585 | 20-30 | 577.9 | 16-32 | 565 | 20-27 |
| 500 | 20 | 130 | 467 | 368 | 41.15 | 60 | 1-10 | F14 | 175 | 140 | 4-18 | 620 | 20-26 | 650 | 20-33 | 635 | 20-32 | 620 | 20-27 |
| 600 | 24 | 151 | 547 | 430 | 50.65 | 70 | 1-16 | F16 | 210 | 165 | 4-22 | 725 | 20-30 | 770 | 20-36 | 749.3 | 20-35 | 730 | 24-33 |
Have A Question?
Write to Us!
Tel:
+86 311 6603 0586
E-mail:
WhatsApp:
Add.:
Office Building A, Yueyahe West Road, Xiaozhan Town, Jinnan District, Tianjin
Get in Touch
Related products
Stainless Steel Wafer Butterfly Valve
Stainless steel wafer butterfly valves offer corrosion resistance for harsh environments, lightweight design for easy installation
Aluminum Wafer Butterfly Valve
"Aluminum Alloy Butterfly Valve" is a lightweight, corrosion-resistant valve with a compact design